+7 (912)-751-33-24Заказать звонок
Заказать звонок

Оставьте Ваше сообщение и контактные данные и наши специалисты свяжутся с Вами в ближайшее рабочее время для решения Вашего вопроса.

Ваш телефон
Ваш телефон*
Ваше имя
Ваше имя

* - Поля, обязательные для заполнения

Сообщение отправлено
Ваше сообщение успешно отправлено. В ближайшее время с Вами свяжется наш специалист
Закрыть окно
arbatex@list.ru
Каталог товаров
Подписка на новости магазина

Подпишитесь на рассылку и получайте свежие новости и акции нашего магазина.

Описание товара:

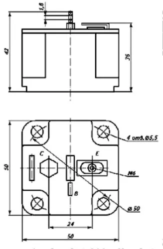
транзистор силовой ТКД265-125-3 применяется в выпрямительных мостах, в регуляторах переменного тока, для управления двигателем постоянного тока, электротехнической аппаратуре.
1 015 руб. / шт Цена не является конечной и требует уточнения у менеджера.
Загрузка
Рассчитываем стоимость доставки
Пожалуйста подождите, рассчет займет немного времени

Описание товара

Описание 


К преимуществам транзистора силового ТКД265-125-3 относят возможность компоновки в одном корпусе силовых кристаллов, систем управления и датчиков, что значительно повышает как эффективность использования пространства, так и универсальность самого узла.
У ТКД265-125-3 силовые и управляющие выводы изолированы от металлического основания.
Также у силового модуля ТКД265-125-3 тепло от элементов отводится через керамический изолятор и металлическое основание.
Применяется ТКД265-125-3 в выпрямительных мостах, в регуляторах переменного тока, для управления двигателем постоянного тока, электротехнической аппаратуре.

Параметры и характеристики транзистор силовой


Транзистор силовой кремниевый эпитаксиально-мезапланарный.
Предназначен для применения в преобразователях, переключающих и усилительных устройствах, в системах управления электроприводом.
Максимально допустимый импульсный ток коллектора - 125А
Максимальное напряжение коллектор-база - 300В

Структура условного обозначения:
ТКД265-125-3-ХХХ:
ТКД - транзистор кремниевый;
2 - порядковый номер модификации конструкции;
6 - обозначение типоразмера;
5 - обозначение конструктивного исполнения корпуса;
125 - максимально допустимый импульсный ток коллектора, А;
3 - класс по максимальному напряжению коллектор-база, В;
Х - группа по напряжению насыщения;
Х - климатическое исполнение;
Х - категория размещения
Добавить отзыв
Ваша оценка:
Отправить отзыв

Похожие товары (8)

1 015 руб. / шт Цена не является конечной и требует уточнения у менеджера.
ТКД265-125-3 транзистор силовой
Задать вопрос

Ваше имя*
Контактный телефон*
E-mail
Вопрос*

* - Поля, обязательные для заполнения

Сообщение отправлено
Ваше сообщение успешно отправлено. В ближайшее время с Вами свяжется наш специалист
Закрыть окно
Купить в один клик
Заполните данные для заказа
Запросить стоимость товара
Заполните данные для запроса цены
Запросить цену Запросить цену